菜单
热线: 0513-69983378 | 联系

客户服务热线

0513-69983378

在线客服
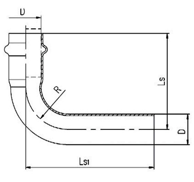
B型90°弯头

产品示意图

产品概述

  在管路系统中,弯头是改变管路方向的管件。按角度分,有45°及90°180°三种常用的,另外根据工程需要还包括60°等其他非正常角度弯头。弯头的材料有铸铁、不锈钢、合金钢、可锻铸铁、碳钢、有色金属及塑料等。与管子连接的方式有:直接焊接(常用的方式)法兰连接、热熔连接、电熔连接、螺纹连接及承插式连接等。按照生产工艺可分为:焊接弯头、冲压弯头、推制弯头、铸造弯头、对焊弯头等。其他名称:90度弯头、直角弯、爱而弯等。

  管道安装中常用的一种连接用管件,连接两根公称通径相同或者不同的管子,使管路做一定角度转弯,公称压力为1-1.6Mpa。

产品参数

公司简介
企业简介
文化理念
发展历程
实验室
应用领域
业绩案例
新闻动态
公司新闻
产品知识
行业动态
产品知识
产品展示
不锈钢水管
不锈钢管件
资质荣誉
公司荣誉
企业资质
联系我们
招贤纳士
客户反馈
联系方式
江苏银羊不锈钢管业有限公司
地址:南通市南通高新技术产业开发区金鼎路33号
电话:0513-69983378
邮箱:jsyybxggy@163.com
网址:www.yybxggy.com