首页
关于银羊
企业简介
文化理念
发展历程
企业资质
联系我们
新闻动态
产品展示
不锈钢水管
不锈钢管件
合作加盟
业绩案例
应用领域
业绩案例
分支机构
北京
上海
安徽
热线: 0513-69983378
|
联系
关闭
客户服务热线
0513-69983378
联系我们
在线客服
产品展示
不锈钢水管
不锈钢管件
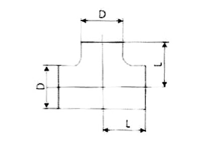
对焊式等径三通
产品示意图
产品概述
对焊三通是钢制热压成型或者锻打成型的弯头,它的连接形式是直接将三通与钢管对焊。
产品参数
◀ 上一个
返回顶部
下一个 ▶
公司简介
企业简介
文化理念
发展历程
实验室
应用领域
业绩案例
新闻动态
公司新闻
产品知识
行业动态
产品知识
产品展示
不锈钢水管
不锈钢管件
资质荣誉
公司荣誉
企业资质
联系我们
招贤纳士
客户反馈
联系方式
江苏银羊不锈钢管业有限公司
地址:南通市南通高新技术产业开发区金鼎路33号
电话:0513-69983378
邮箱:jsyybxggy@163.com
网址:www.yybxggy.com
首页
关于银羊
新闻动态
产品展示
合作加盟
业绩案例
分支机构
联系我们